Description
The 1000Kg HD Axle-Less trailer suspension is designed specifically for off-road use. Components made from heavy-gauge steel support the increased demands of a trailer used on off-road terrain. A softer rubber spring allows for more suspension travel without compromising strength or capacity, providing you with the best ride quality to protect your cargo on and off the trail.
The 1000Kg HD models have been uniquely designed with longer trailing arms and softer rubber springs, providing you with the best ride quality to protect your cargo on or off the trail.
This premium 1000Kg HD Axle-less trailer suspension– designed for off-road use – comes with heavy duty outboard arms with a 4” drop and standard slimline stub axles for use with standard width tyres 235/85R16 or smaller. A brake flange is included if you plan to install brakes. Check out the ACCESSORIES tab below for all available hub and brake options.
The genius of the Axle-Less trailer suspension has more to do with what’s not there than what is:
- Less hassle! You don’t have to worry about ordering the correct axle size.
- Less time! You can retrofit any medium-duty trailer without waiting for an axle that fits.
- Less road shock! You will maintain the smoothest ride with or without a load.
- Less danger! An independent suspension gives you better control of your trailer.
The unique design of the Axle-Less 1 Tonne HD models – heavy-gauge steel components, longer trailing arm and softer rubber spring – sets you up for a successful, worry-free, off-road and overland experience!
One of the critical components of the HD design are extra reinforcements such as gussets which give your Axle-Less suspension the added strength to withstand the kind of abuse that you’ll encounter on your off-road and overland adventure.
The Axle-Less suspension gives you more creative freedom. Now you have more options and flexibility to design and build your off-road and overland trailer to match your needs.
Technical Notes:
Shims are supplied in each Axle-Less HD kit to give you the option to adjust (if necessary) the suspension alignment and camber specific to your trailer frame.
Each hanger comes with a built-in square hole to allow a 2”x2” piece of metal tubing (which can be found at your local hardware store) to act as a cross member, giving extra strength and support. We recommend tubing with a wall thickness of at least 3mm.
Most of our Axle-Less HD suspensions use oversized stub axles. These stub axles will only work with oversized hubs and brakes. To make sure your stub axles and hubs fit together perfectly, we suggest you refer to the ACCESSORIES tab above, and purchase your Axle-Less HD suspension together with hubs and brakes.
Polyurethane bushings – used at the pivot point on the control arm – hold the pin firmly in place, resulting in better stability and a more controlled alignment with each moving component. They are weather-resistant and made to last longer, especially in a harsh environment. Furthermore, they’re better able to stand up to the grind of heavy-duty applications.
Features:
- 4” drop outboard arms to achieve lowest possible deck height
- Standard slimline stub axles for use with standard-width tyres 235/85r16 or smaller
- Components made from heavy-gauge steel support off-road and overland demands
- HD gussets for maximum reinforcement
- Patented Aeon® hollow rubber spring for smooth, quiet ride
- Polyurethane bushings balance out performance, durability and comfort
- Longer trailing arm for maximum suspension travel
- Brake flange Included for optional brakes
- Galvanised finish
- Easy bolt-on installation
- No thru axle
Specs:
- Heavy duty 1000Kg trailer suspension capacity
- Heavy duty outboard arms with 4” drop and regular slimline stub axles for tyres 235/85R16 or smaller
What’s Included In The Box?:
Each Axle-Less trailer suspension kit comes with both driver and passenger side to give you a full suspension.
- 2x HD suspensions
- 2x HD outboard arms with 4” drop and slimline stub axles with brake flange
- Grade 8 zinc coated hardware
- 8x camber shims

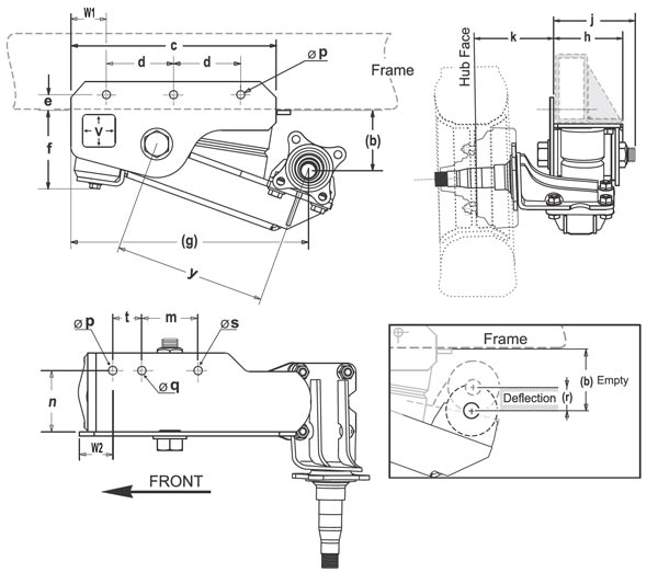
b: 60mm
r: 86mm
c: 330mm
d: 108mm x 2
e: 25mm
f: 127mm
g: 521mm
h: 121mm
j: 143mm
k: 139mm
m: 86mm
n: 94mm
p: 13mm
q: 1/2″ UNC
s: 1/2″ UNC
t: 45mm
v: 51mm x 51mm
w1: 57mm
w2: 51mm
y: 356mm










Reviews
There are no reviews yet.